○出雲崎町荷捌所等運営費補助金交付要綱
令和7年8月7日
要綱第29号
(目的)
第1条 この要綱は、漁業者減少の影響を受け、収益が低下している新潟漁業協同組合出雲崎支所の電気料高騰分を補助することにより荷捌所の経営安定を図るため、出雲崎町荷捌所等運営費補助金を交付することについて、出雲崎町補助金交付規則(昭和39年4月1日制定。以下「規則」という。)に定めるもののほか、必要な事項を定めるものとする。
(補助対象者)
第2条 補助金の交付の対象となる者(以下「補助対象者」という。)は、新潟漁業協同組合出雲崎支所とする。
(補助対象経費)
第3条 補助対象となる経費(以下「補助対象経費」という。)は、補助対象者が当該年度内に支払った電気料金とする。
(補助金の額)
第4条 補助金の額は、予算の範囲内において次の各号により算出した額の合計額(以下「補助申請額」という。)とし、各対象月の算出額に1,000円未満の端数が生じた場合には、これを切り捨てるものとする。
(1) 対象月の基本料金単価から別に定める基準年度同月の基本料金単価を差し引いて算出した補助単価に対象月の契約電力量を乗じた額。
(2) 対象月の電力量料金単価から別に定める基準年度同月の電力量料金単価を差し引いて算出した補助単価に対象月の使用電力量を乗じた額。
(3) 対象月の燃料費調整単価から別に定める基準年度同月の燃料費調整単価を差し引いて算出した補助単価に対象月の使用電力量を乗じた額。
(4) 対象月の再生可能エネルギー発電促進賦課金単価から別に定める基準年度同月の再生可能エネルギー発電促進賦課金単価を差し引いて算出した補助単価に対象月の使用電力量を乗じた額。
(補助金の交付申請)
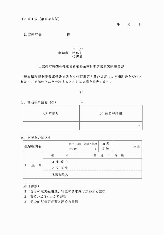
第5条 補助金の交付を受けようとする場合、補助対象者は、出雲崎町荷捌所等運営費補助金交付申請書兼実績報告書(様式第1号、以下「申請書兼実績報告書」という。)に次に掲げる書類を添えて、町長に提出しなければならない。
(1) 各月の電力使用量、料金の請求内容がわかる書類
(2) 支払い状況がわかる書類
(3) その他町長が必要と認める書類
2 町長は、前項の場合において、必要があるときは、補助金の交付の申請及び実績報告に係る事項につき修正を加えて交付するものとする。
(交付決定の取消し等)
第7条 町長は、補助対象者が偽りその他不正な手段により補助金の交付決定を受けたときは、当該交付決定の全部又は一部を取り消すことができる。
2 前項の場合において、町長は、既に補助金が交付されているときは、補助金の返還を命ずることができる。
(その他)
第8条 この要綱に定めるもののほか、必要な事項は、町長が別に定める。
附則
この要綱は、公布の日から施行し、令和7年4月1日から適用する。

